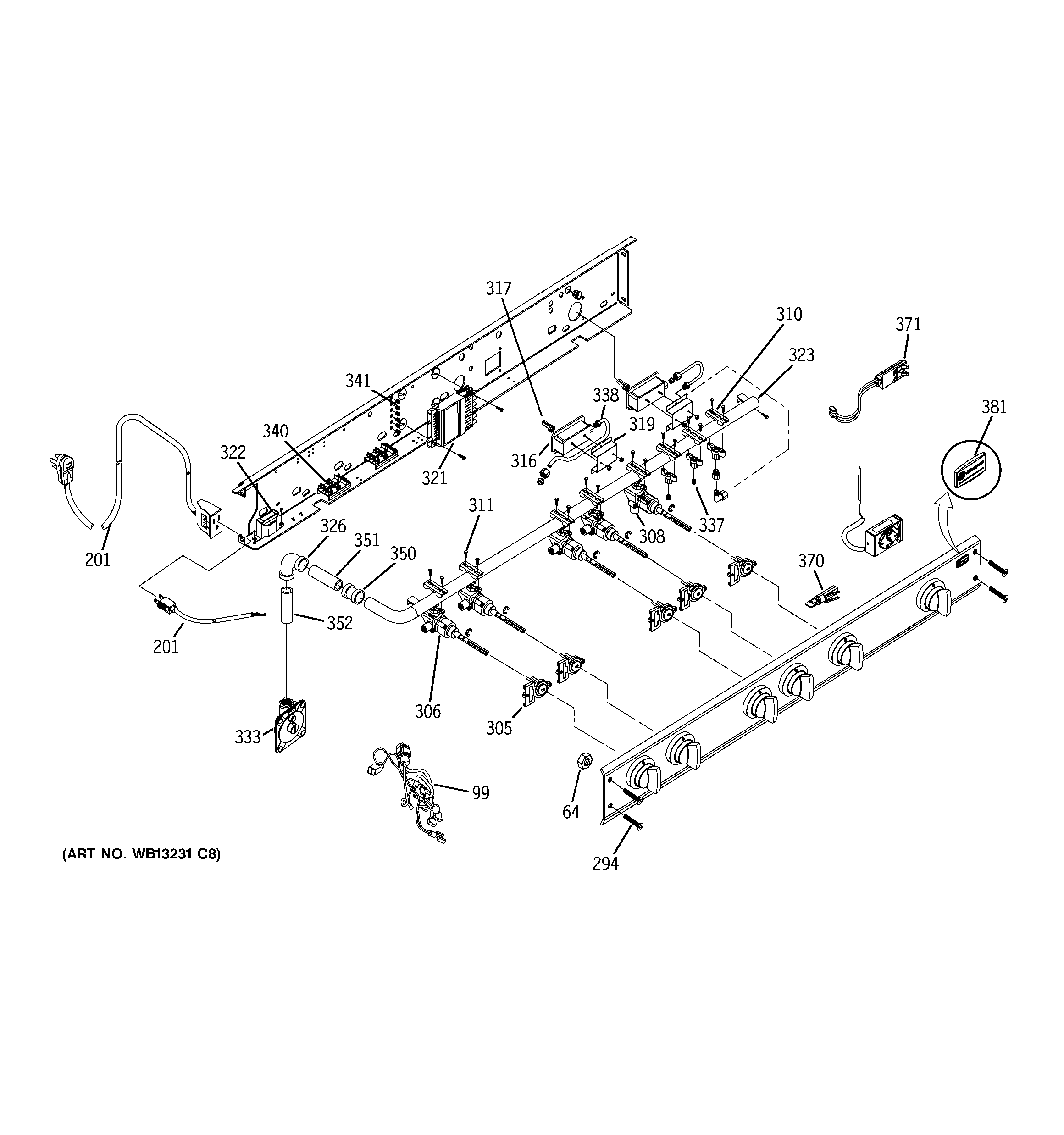
ZGU48N6RH5SS MANIFOLD ASSEMBLYadmin2025-04-26T11:42:20+00:00ZGU48N6RH5SS MANIFOLD ASSEMBLY ProductsPositionProduct64GEN WB01X1001799GEN WB18X10338201GEN WB18X5159294GEN WB01X10035305SWITCH IGNI306WB21X10114 NLA:BURNER VALVE (NAT/LP)308GEN WB21X10122310CLAMP311GEN WB01X10147316GEN WB21X10123317ORIFICE NAT GRL/ GRD319GEN WB02X11082321WB13K10031 MODULE SPARK322WB27X10905 GE Oven Transformer323GEN WB28X10073326GEN WB01X10051333GEN WB21X10027337GEN WB01X10092338GEN WB28X10070340GEN WB17X5132341GEN WB02X11106350GEN WB01X10034351GEN WB28X10085352GEN WB28X10093370GEN WB25X10014371GEN WB25X10012381WB02X10832 GE Oven Monogram Logo