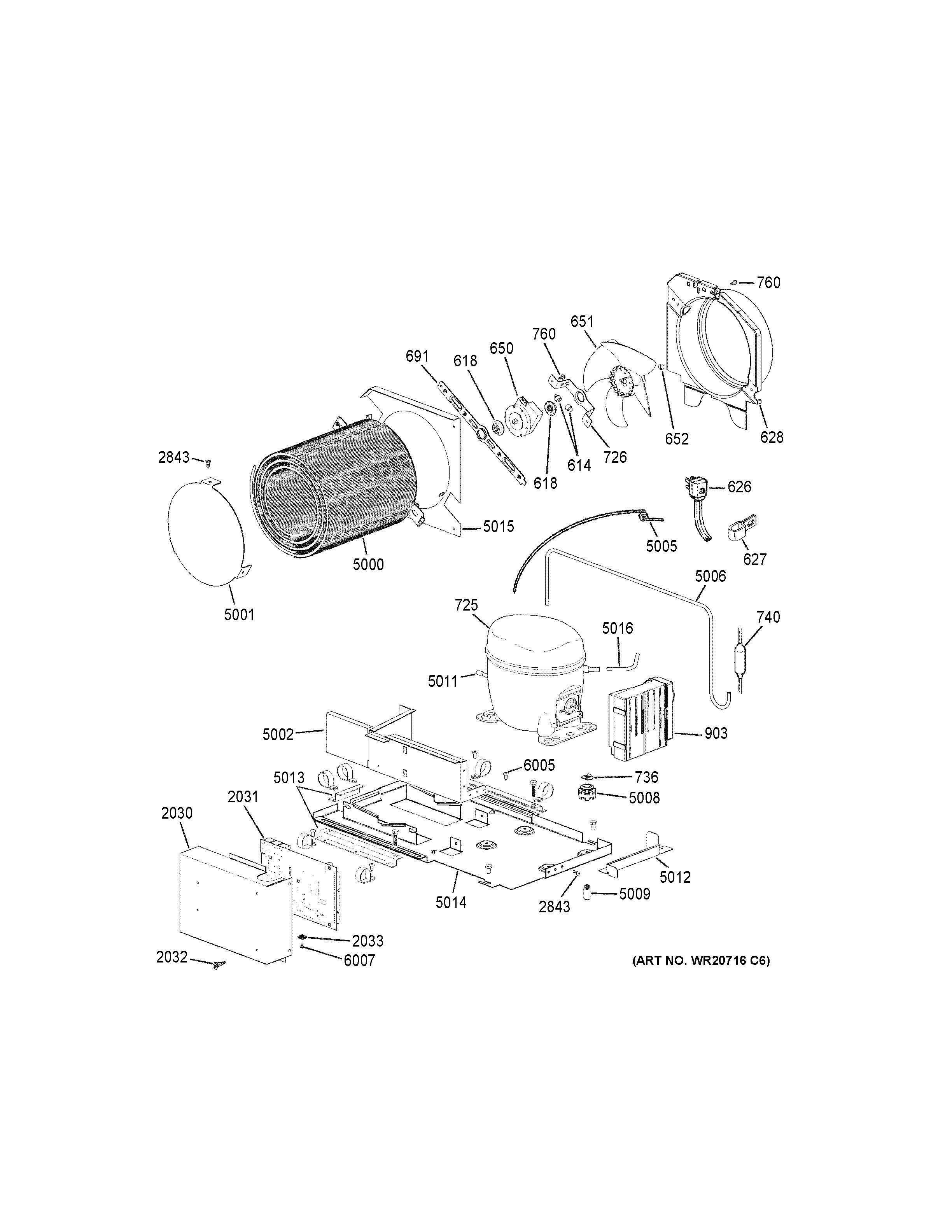
ZIR360NHCRH MACHINE COMPARTMENTadmin2025-04-26T10:55:14+00:00ZIR360NHCRH MACHINE COMPARTMENT ProductsPositionProduct614BUMPER618WR02X10520 GE Refrigerator Fan Motor Grommet626WR55X29405 GE Refrigerator Power Cord627WR1X5278 GE Refrigerator Cable Clamp628WR17X35527 GE Refrigerator Condenser Fan Shroud650WR60X10209 GE Refrigerator DC Condenser Fan Motor651WR60X24484 GE Refrigerator Condenser Fan Blade652WR02X12149 GE Refrigerator Ring691WR02X10593 GE Refrigerator Bracket Condenser Fan (Rear)725WR87X28786 GE Refrigerator Compressor Kit726WR02X11863 GE Refrigerator Condenser Fan Bracket (Mounting)736CLIP740WR86X25269 GE Refrigerator R134 Dryer760WR01X10317 GE Refrigerator Screw 8-32 CA Hex Washer 1/2903WR87X29409 GE Refrigerator Inverter Compressor Control Board2030MAIN CONTROL BOARD COVER2031WR55X42925 GE Mainboard Assembly2032PCB STAND OFF2033NUT-U2843WR01X10484 GE Refrigerator Stainless Steel TCS 8-32 x 5/8" PH5000WR84X10022 GE Refrigerator Condenser Replacement Kit5001WR17X13159 GE Refrigerator Baffle Condenser Air5002FOAM COND BAFFLE5005WR02X13220 GE Refrigerator Tube Jump Suction Compressor Assembly5006WR02X13222 GE Refrigerator Tube Jump Cap Dryer5008WR02X10678 GE Refrigerator Grommet5009WR1X1779 GE Refrigerator Stud Mounting Compressor5011WR02X13215 GE Refrigerator Dryer Process Tube5012KEEP OUT LT SW RH5013WR02X11221 GE Refrigerator Retainer Pan System5014SYSTEM PAN ASM5015FAN ORIFICE COND5016WR01X23817 GE Discharge Tube6005WD2X295 GE Refrigerator Screw6007WR1X1826 GE Refrigerator Screw