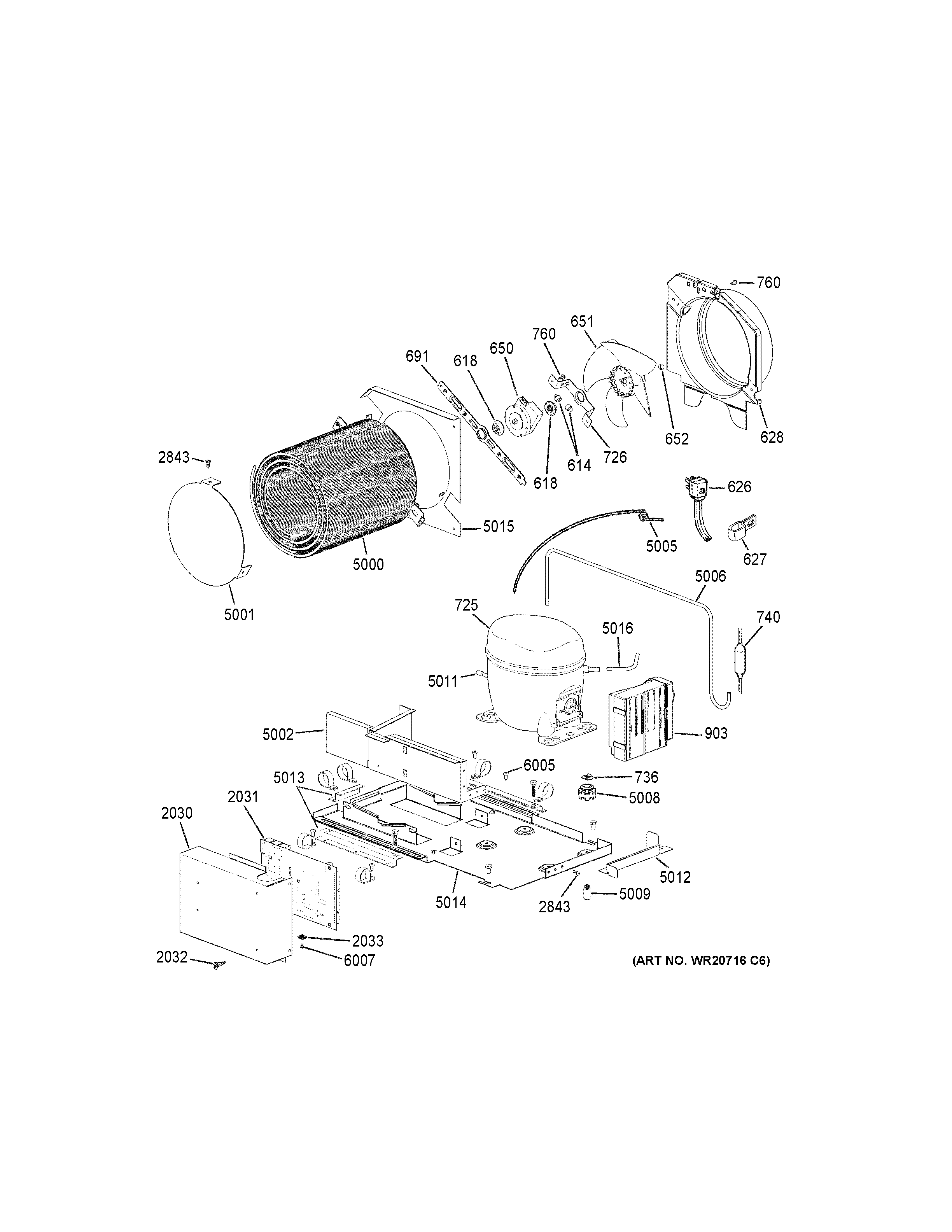
ZIR360NNBLH MACHINE COMPARTMENT

ZIR360NNBLH MACHINE COMPARTMENT