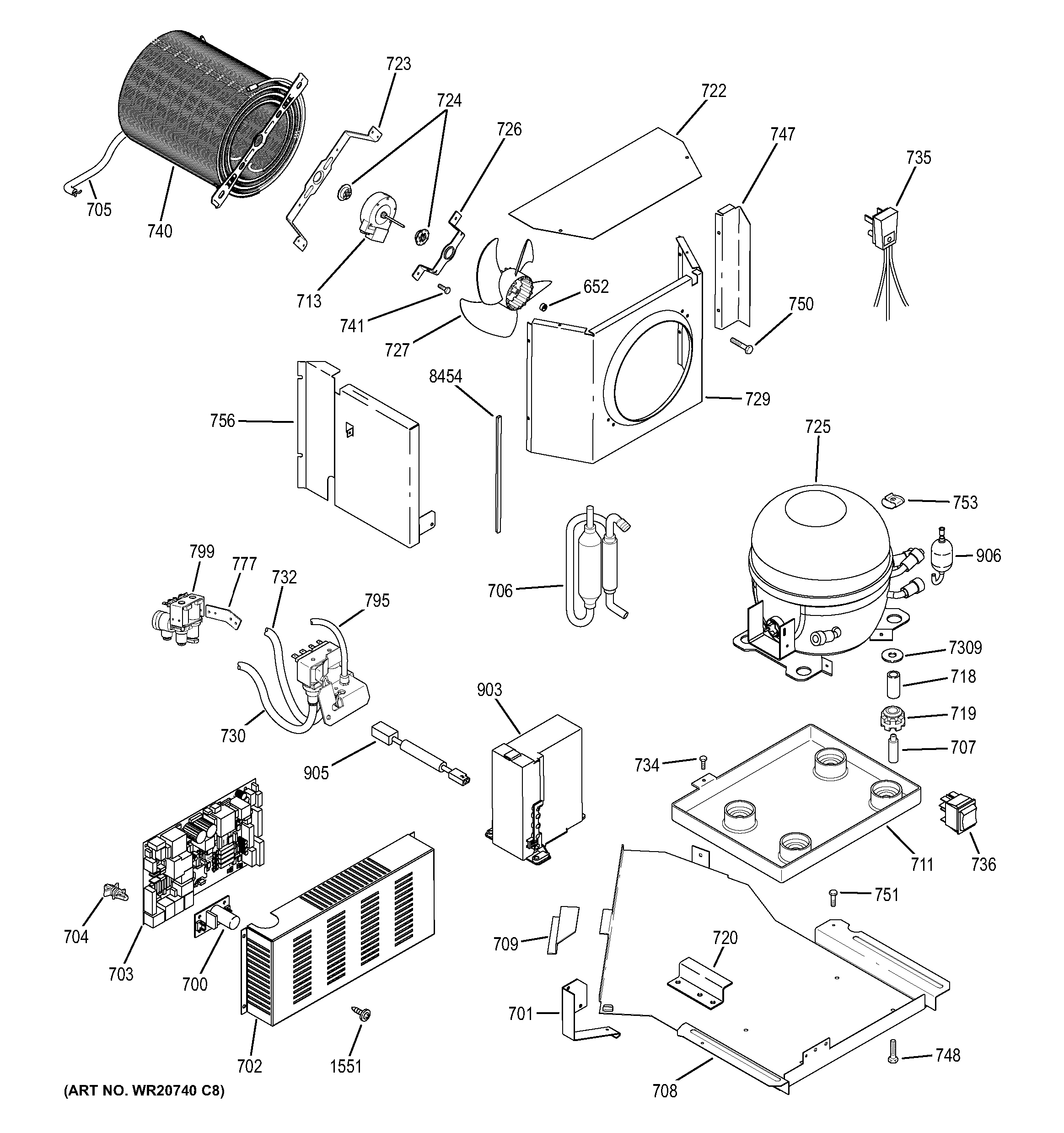
ZIS420NXA MACHINE COMPARTMENT

ZIS420NXA MACHINE COMPARTMENT

Products

PositionProduct
652WR02X12149 GE Refrigerator Ring
700POWER SUPPLY PCB
701WR02X12198 GE Refrigerator Bracket Water Valve
702WR02X12829 GE Sxs Main Cover Board
703WR55X11070 GE Refrigerator Main Control Board Assembly
704WR01X10301 GE Refrigerator Main Board Standoff
705CAP SUCTION TUBE ASM
706WR86X25269 GE Refrigerator R134 Dryer
707STUD COMPRESSOR MTG
708WR17X12348 GE System Pan
709WR02X12569 GE Bracket System Pan
711WR17X11924 GE Refrigerator Stainless Steel Vaporizer Pan Kit
713WR60X10209 GE Refrigerator DC Condenser Fan Motor
718WR01X10305 GE Refrigerator Steel Collar
719WR02X22869 GE Refrigerator Grommet
720WR02X11221 GE Refrigerator Retainer Pan System
722COND. SHROUD TOP
723BRKT COND FAN MOTOR LG
724WR02X10520 GE Refrigerator Fan Motor Grommet
725COMPRESSOR VCC3 REPL. KI
726WR02X11863 GE Refrigerator Condenser Fan Bracket (Mounting)
727WR60X24484 GE Refrigerator Condenser Fan Blade
729WR17X35527 GE Refrigerator Condenser Fan Shroud
730WR17X1948 GE Refrigerator Water Line
732WR17X2891 GE Refrigerator 5/16" X 6FT Plastic Water Line Tubing
73436 VAPORIZER PAN BOLT
735WR23X10300 GE Refrigerator Power Cord Assembly
736WR49X10070 GE Refrigerator Master Light SW. Kit
740WR84X10022 GE Refrigerator Condenser Replacement Kit
741WZ5X158D GE Screw Package of 12
747COND BAFFLE
748SCREW MTG STUD
750WR1X1826 GE Refrigerator Screw
751WR01X10302 GE Bolt 1/4-20 x 1.5"
753WR02X10322 GE Refrigerator Dust Cap B02
756WR17X12529 GE Left Baffle
795BRACKET AND VALVE ASM
799WR57X10024 GE Water Inlet Valve
903WR49X10283 GE Refrigerator Inverter Kit with Jumpers
905WR23X10605 GE Communication Harness
906WR86X10038 GE Refrigerator Accumulator
1551WR1X5645 GE Refrigerator Screw
7309WR01X10308 GE Flat Washer 3/8" x 7/8"
8454WR38X10190 GE Refrigerator Edge Trim