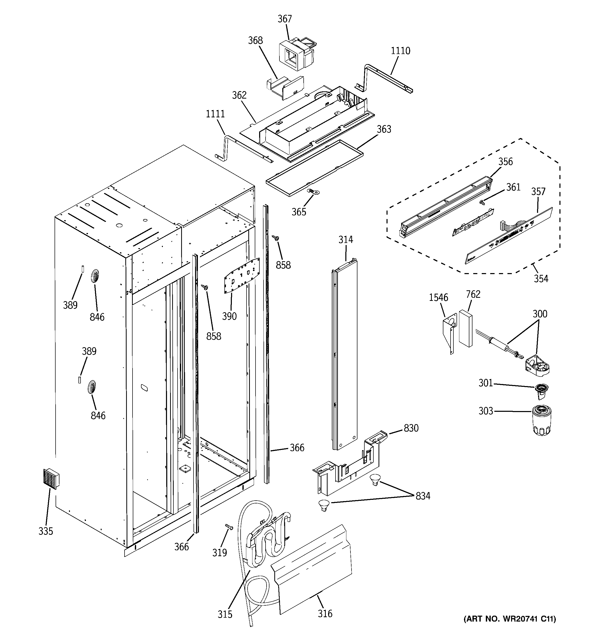
ZIS480NXA FRESH FOOD SECTION