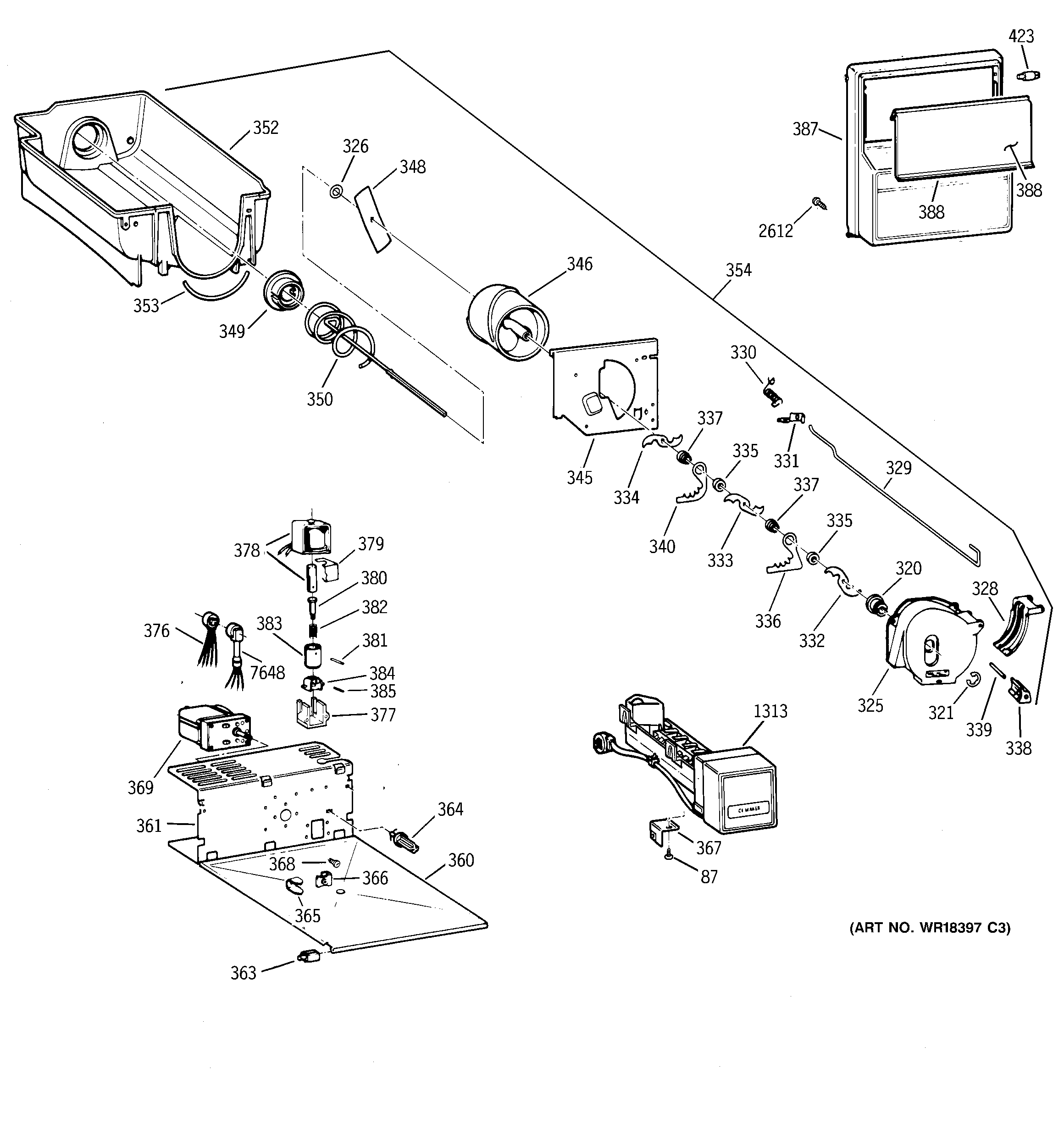
ZISB36DCB ICE BUCKET ASSEMBLYadmin2025-04-26T10:49:40+00:00ZISB36DCB ICE BUCKET ASSEMBLY ProductsPositionProduct87WZ4X241D GE Screw Package320GEN WR01X1585321WR1X1367D GE Refrigerator Return Package 12325WR17X2061 GE Refrigerator Crush Dispenser326GEN WR01X1366328WR2X4143 GE Refrigerator Pivot329WIRE ACTUATOR DISP330GEN WR02X4145331GEN WR02X4251332WR17X1361 GE Refrigerator Blades Moving Display333WR17X1362 GE Refrigerator Middle Blade334WR17X1363 GE Refrigerator Blades Moving Display335GEN WR02X4139336GEN WR17X1009337WR2X4138 GE Refrigerator Spacer338WR2X4140 GE Refrigerator Blade Rest339GEN WR02X4141340WR17X2058 GE Refrigerator Dispenser Blade345PLATE FRONT DISP346WR17X4207 GE Refrigerator Front Helix348GEN WR02X7351349WR2X4550 GE Refrigerator Drive Cup350GEN WR17X4309352WR30X256 GE Refrigerator Ice Dispenser353WR2X7905 GE Refrigerator Bucket Seal354WR17X4312 GE Refrigerator Ice Maker Auger and Bucket Assembly360GEN WR71X2431361GEN WR71X2430363GEN WR02X4465364GEN WR02X7310365GEN WR02X4854366GEN WR01X1547367GEN WR02X8459368WR01X10618 GE Refrigerator Screw 8-18 TPT 1/4369WR60X10262 GE Refrigerator Motor Crusher Dispenser376GEN WR23X0189377WR2X7309 GE Refrigerator Solenoid Cushion381WR62X23154 GE Refrigerator Ice Dispenser Solenoid Kit382WR62X26536 GE Refrigerator Armature Kit387GEN WR17X2964388GEN WR17X2874388GEN WR38X1524423GEN WR02X63471313WR30X10093 GE Refrigerator Ice Maker2612GEN WR01X19377648GEN WR02X8964