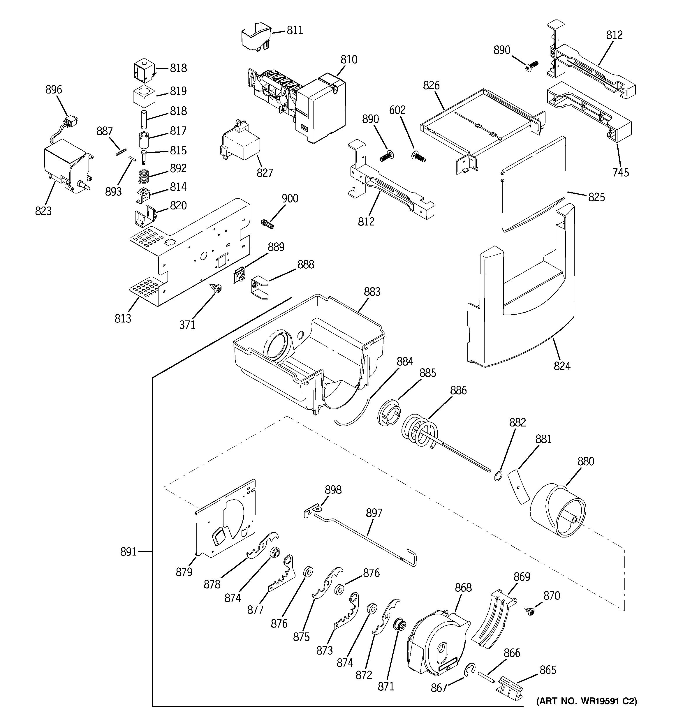
ZISS42GDXASS ICE MAKER & DISPENSERadmin2025-04-26T10:54:07+00:00ZISS42GDXASS ICE MAKER & DISPENSER ProductsPositionProduct810GEN WR30X10113811WR29X10092 GE Refrigerator Ice Maker Fill Cup812WR72X10103 GE Refrigerator Bucket Slide813WR17X29746 GE Refrigerator Auger Motor Assembly 36/42"818GEN WR62X10075820WR2X7309 GE Refrigerator Solenoid Cushion823WR60X10276 GE Refrigerator Auger Motor Dispenser824WR17X11218 GE Refrigerator Front Ice Bin825WR17X12547 GE Refrigerator Ice Bin Door826WR71X10420 GE Refrigerator Ice Bin Door Track827WR02X13454 GE Cover Air Motor865WR2X4140 GE Refrigerator Blade Rest866GEN WR02X4141867WR1X1367D GE Refrigerator Return Package 12868WR17X2061 GE Refrigerator Crush Dispenser869WR30X10093 GE Refrigerator Ice Maker869GEN WR02X4561870WZ4X230D GE Screw Package 12871GEN WR01X1585872WR17X1361 GE Refrigerator Blades Moving Display873GEN WR17X1009874GEN WR02X4139875WR17X1362 GE Refrigerator Middle Blade876WR2X4138 GE Refrigerator Spacer876GEN WR02X8483877WR17X2058 GE Refrigerator Dispenser Blade878WR17X1363 GE Refrigerator Blades Moving Display879PLATE FRONT DISP880WR17X4207 GE Refrigerator Front Helix881GEN WR02X7351882GEN WR01X1366883WR30X322 GE Refrigerator Bucket Dispenser884WR2X7905 GE Refrigerator Bucket Seal886GEN WR17X4204888WR02X11937 GE Refrigerator Drive Auger Dispenser890WD2X295 GE Refrigerator Screw891WR30X32633 GE Refrigerator Ice Bucket892WR62X26536 GE Refrigerator Armature Kit893WR62X23154 GE Refrigerator Ice Dispenser Solenoid Kit896GEN WR23X10647897WR17X11411 GE Refrigerator Wire Actuator Dispenser898GEN WR02X4251