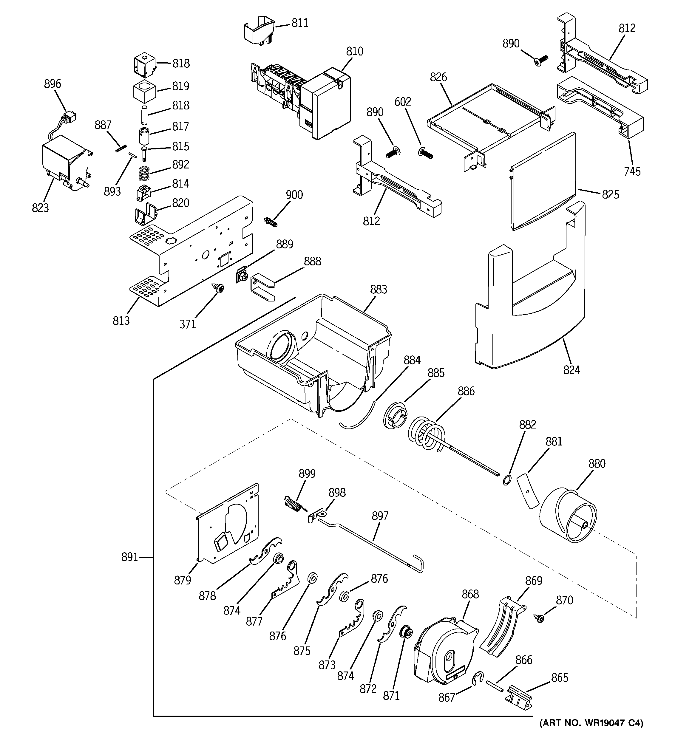
ZISS480DRASS ICE MAKER & DISPENSER

ZISS480DRASS ICE MAKER & DISPENSER

Products

PositionProduct
371WR01X10619 GE Refrigerator Screw
6026-20 X 1\2 S\S PH PHIL
745WR17X11190 GE Refrigerator Shelf Spacer 48
810WR30X10093 GE Refrigerator Ice Maker
811WR29X10092 GE Refrigerator Ice Maker Fill Cup
812WR72X10103 GE Refrigerator Bucket Slide
813GEN WR17X11197
820WR2X7309 GE Refrigerator Solenoid Cushion
823WR60X10262 GE Refrigerator Motor Crusher Dispenser
824WR17X11198 GE Refrigerator Front Ice Bin
825WR17X12547 GE Refrigerator Ice Bin Door
826WR71X10420 GE Refrigerator Ice Bin Door Track
865WR2X4140 GE Refrigerator Blade Rest
866GEN WR02X4141
867WR1X1367D GE Refrigerator Return Package 12
868WR17X2061 GE Refrigerator Crush Dispenser
869GEN WR02X4561
870WZ4X230D GE Screw Package 12
871GEN WR01X1585
872WR17X1361 GE Refrigerator Blades Moving Display
873GEN WR17X1009
874GEN WR02X4139
875WR17X1362 GE Refrigerator Middle Blade
876WR2X4138 GE Refrigerator Spacer
877WR17X2058 GE Refrigerator Dispenser Blade
878WR17X1363 GE Refrigerator Blades Moving Display
879PLATE FRONT DISP
880WR17X4207 GE Refrigerator Front Helix
881GEN WR02X7351
882GEN WR01X1366
883WR30X322 GE Refrigerator Bucket Dispenser
884WR2X7905 GE Refrigerator Bucket Seal
885WR2X4550 GE Refrigerator Drive Cup
886GEN WR17X4204
888GEN WR02X4854
889GEN WR01X1547
890WD2X295 GE Refrigerator Screw
891WR30X32633 GE Refrigerator Ice Bucket
892WR62X26536 GE Refrigerator Armature Kit
893WR62X23154 GE Refrigerator Ice Dispenser Solenoid Kit
896GEN WR23X0463
897WR17X11411 GE Refrigerator Wire Actuator Dispenser
898GEN WR02X4251
899GEN WR02X4145
900GEN WR02X7310